科能自主研發 大數據決策驅動下的智慧企業管理系統
環保健康 舒適家居系統軟件開發的核心理念
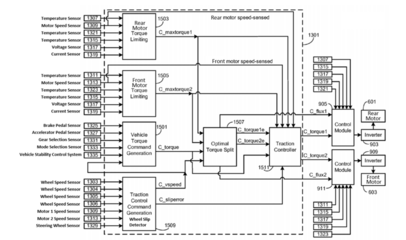
適用于電機驅動器和工業應用的25 kW碳化硅三相逆變器設計及其控制系統研發
36張PPT詳解軟件開發中的產品研發管理之道
EtherCAT技術在無刷直流電機驅動系統中的應用與軟件開發
特斯拉失控原因分析 駕駛員誤操作還是系統故障?
安富利-安華高隔離產品在工業馬達控制中的應用
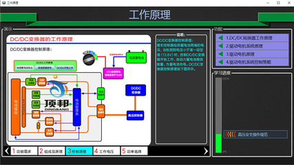
探索新能源汽車教學的核心利器 DC/DC與電機控制系統教學軟件開發
基于運動控制卡的步進電機控制系統設計與實現
永磁式同步電機伺服系統在短纖維裝置中的應用
面向下一代導彈驅動系統的無刷直流電機及其控制系統研發概述
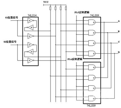
淺談開關磁阻電機模數混合式控制系統的軟件開發
基于兩步換相控制策略的SR電機直接數字控制系統設計
伺服電機控制系統中電流采樣方案的比較
Lenze伺服系統在非晶制帶機組中的應用
正弦波永磁同步電動機的自控變頻調速系統研發
34種自動控制原理圖詳解及其在軟件開發中的應用
PD-013-28 控制器與驅動器內藏串口接口的步進電機系統研發
三相8極無刷直流電機控制系統軟件開發設計
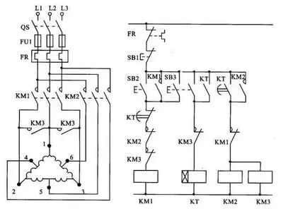
直流伺服電動機的應用實例
如若轉載,請注明出處:http://m.boshunll.cn/product/list-3.html
地址:深圳市南山區西麗街道陽光社區陽光二路翻身工業區7棟402
Copyright © 2026 m.boshunll.cn 電機及其控制系統研發 深圳市雨滴科技有限公司 電機及其控制系統研發 版權所有 Sitemap